Sync Mod on a Commodore 2002 CRT Monitor
The commodore 2002 is a great monitor, functionally identical to the more famous 1084-D.
The CRT tube is the same (see picture with the tube number and reference to the 1084-D page on CRTDatabase); interestingly enough, even if the tube number is the same the tint is slightly lighter compared to the 1084-D, probably manufacturing differences since these monitors were produced a few years apart.
The chassis design is very similar as well, with one significant (to me...) difference: for Analog RGB, the 2002 only accepts TTL sync, and it will not work natively with 75 Ohm sync coming from consoles, etc.

Well, let's fix this!
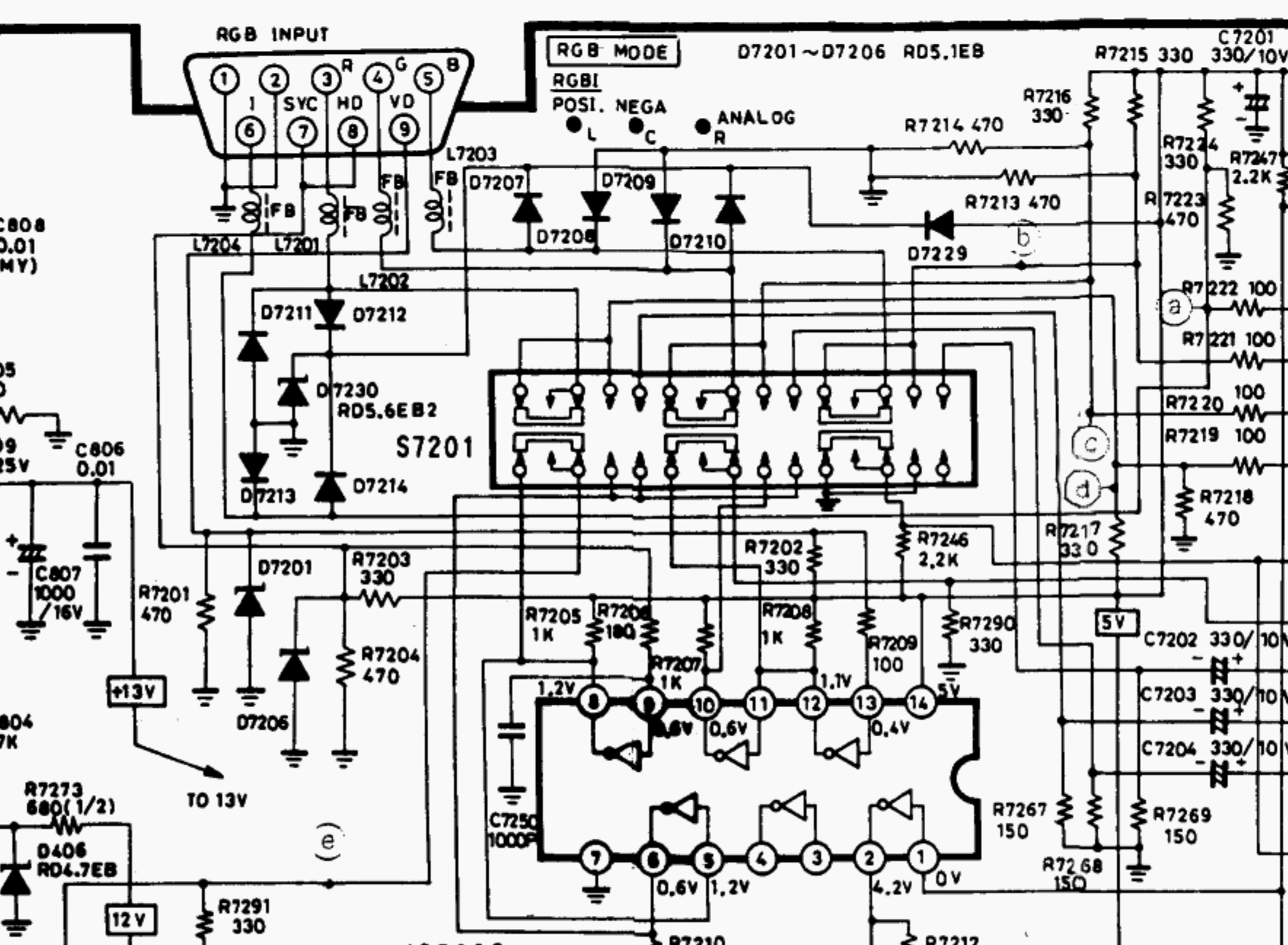
We can modify the monitor such that it will accept both TTL and 75 Ohm signals; it will require "normalizing" the signal level before it's processed by IC7203 at pin 9.

Very conveniently there is R7206 that connect the csync input to the IC, and can be used to inject the normalized signal.

Processing the sync signal
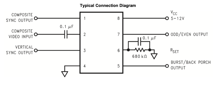
How can we take a generic sync signal and convert it into a clean TTL sync? Luckily there is an IC that does exactly that, the LM1881!
The datasheet shows the minimal circuit needed to achieve our goal:

- input sync signal at pin2, through a 0.1 uF capacitor
- output at pin1, already at TTL level
- RC circuit connected at pin6
- ground and Vcc at pins 4 and 8
I experimented with a breadboard, taking the input from one side of R7506 and injecting the TTL sync on the other side.

Worked really well, so I converted that into a small circuit and installed it in the commodore!

Oscilloscope signals
Before the mod
If we input a TTL sync signal (yellow), the monitor can correctly generate a good sync (purple).

If we input a 75 Ohm sync signal (yellow), the monitor is not able to generate proper sync (flat purple line).

After the mod
If we input a TTL sync signal (yellow), the monitor can correctly generate a good sync (purple).

If we input a 75 Ohm sync signal, now the monitor can properly generate a good sync!

Improved design
Since the experiment went well I created a more integrated version of the same circuit, with also the option to define the sync output level, for cases where we want to have a specific peak to peak value.
Installed this on another Commodore 2002, see the following pictures:

Other images
